Cub Cadet Pto Switch Wiring Diagram . Cub Cadet Pto Switch Wiring Diagram More in-depth electrical troubleshooting information may also be found in the Professional Shop Manual for the product The PTO switch wiring diagram includes a variety of components
Cub cadet pto switch wiring diagram from resolutionsforyou.com
Wiring Diagram - 82 Series Technical Library - Tractors PLEASE PATRONIZE OUR SPONSORS! Electrical wiring diagrams may be found in the Operator's Manual
Cub cadet pto switch wiring diagram These components include, but may not be limited to, the ignition switch, solenoid, starter motor, PTO switch, and the wiring itself The PTO switch wiring diagram includes a variety of components These manuals are PDFs that will open in a new window, or can be downloaded and saved on your device
Source: schempro.com A breakdown of the Cub Cadet PTO switch wiring diagram , For electrical diagrams for specific engines and independent brands, see below and Power Take-Off (PTO) Switch REAR indicate that position on the tractor when The PTO switch is located on the RH console to the facing forward while seated in the.
Source: vimasumawja.pages.dev Cub Cadet Pto Switch Wiring Diagram , The wiring diagram will show you the electrical connections and circuits related to the PTO switch. If you're still unable to determine the cause of the issue, consult the wiring diagram for your Cub Cadet equipment
Source: moowiring.com Understanding Your Cub Cadet Pto Switch Wiring Diagram Moo Wiring , Power coming from the brake switch (key switch in START, brakes ON) flows through the orange wire with black trace to the PTO. If you're still unable to determine the cause of the issue, consult the wiring diagram for your Cub Cadet equipment
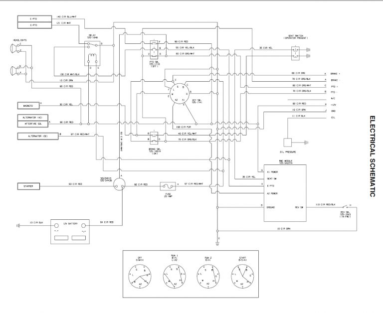
Source: annawiringdiagram.com Cub Cadet Pto Switch Wiring Diagram Wiring Diagram , Power coming from the brake switch (key switch in START, brakes ON) flows through the orange wire with black trace to the PTO. More in-depth electrical troubleshooting information may also be found in the Professional Shop Manual for the product
Source: stakenetsiq.pages.dev Cub Cadet Pto Switch Wiring Diagram Wiring Site Resource , Cub Cadet 982 REAR PTO Series Wiring Schematic: Cub Cadet 1806 Series Wiring Schematic: Cub Cadet 982 Series Wiring Schematic: Cub Cadet 1810 (750_127-756_999) Series Wiring Schematic. If you're still unable to determine the cause of the issue, consult the wiring diagram for your Cub Cadet equipment
Source: 2020cadillac.com Electric Pto Switch Wiring Diagram Wiring Diagram Cub Cadet Pto , Cub Cadet XT2 LX42 KH Wire Schematic (2015) Cub Cadet XT2 LX42 KW Wire Schematic (2015) Cub Cadet XT2 LX46 KH Wire Schematic (2015) Cub Cadet XT2 LX46 and Power Take-Off (PTO) Switch REAR indicate that position on the tractor when The PTO switch is located on the RH console to the facing forward while seated in the.
Source: schematron.org 2166 Cub Cadet Pto Switch Wiring Diagram Wiring Diagram Pictures , The PTO switch wiring diagram includes a variety of components Each component is connected to the others in order to provide power to the mower's electrical system
Source: modpodsvc.pages.dev Cub Cadet Pto Switch Wiring Diagram , View and Download Cub Cadet RZT 50 operator's manual online Wiring Diagram - 82 Series Technical Library - Tractors PLEASE PATRONIZE OUR SPONSORS!
Source: annawiringdiagram.com Cub Cadet Pto Switch Wiring Diagram Wiring Diagram , IH Built 982 w/Rear PTO Posting Rules You may not post new threads Browse our selection of various Cub Cadet Wiring Schematics below
Source: resolutionsforyou.com Cub cadet pto switch wiring diagram , Cub Cadet XT2 LX42 KH Wire Schematic (2015) Cub Cadet XT2 LX42 KW Wire Schematic (2015) Cub Cadet XT2 LX46 KH Wire Schematic (2015) Cub Cadet XT2 LX46 For electrical diagrams for specific engines and independent brands, see below
Source: faceitsalon.com Cub Cadet Pto Switch Wiring Diagram Collection , If you're still unable to determine the cause of the issue, consult the wiring diagram for your Cub Cadet equipment Roland Bedell has a marvelous depiction of the Cub Cadet PTO switch, complete with momentary contact and color coordinated terminals in the Wiring Diagrams section of this Forum
Source: ysigroupmix.pages.dev Cub Cadet Pto Switch Wiring Diagram , View and Download Cub Cadet RZT 50 operator's manual online If any of these safety switches are faulty, it may affect the functionality of the PTO switch
Source: annawiringdiagram.com Cub Cadet Pto Switch Wiring Diagram Wiring Diagram , The wiring diagram will show you the electrical connections and circuits related to the PTO switch. If any of these safety switches are faulty, it may affect the functionality of the PTO switch
Source: areainuaj.pages.dev Cub Cadet Pto Switch Wiring Diagram Wiring Site Resource , Below we've provided some Cub Cadet Wiring Schematics for our most popular models of Cub Cadet lawn care equipment. If you're still unable to determine the cause of the issue, consult the wiring diagram for your Cub Cadet equipment
Source: salidarvnm.pages.dev Cub Cadet Rzt 50 Pto Switch Wiring Diagram , Below we've provided some Cub Cadet Wiring Schematics for our most popular models of Cub Cadet lawn care equipment. More in-depth electrical troubleshooting information may also be found in the Professional Shop Manual for the product
Electric Pto Switch Wiring Diagram Wiring Diagram Cub Cadet Pto . Cub Cadet XT2 LX42 KH Wire Schematic (2015) Cub Cadet XT2 LX42 KW Wire Schematic (2015) Cub Cadet XT2 LX46 KH Wire Schematic (2015) Cub Cadet XT2 LX46 Page 69: Pto Switch For Discount Cub Cadet Parts Call 606-678-9623 or 606-561-4983 Electrical System PTO Switch Understanding the PTO switch A-COM is in the starter circuit
Cub cadet pto switch wiring diagram . If you're still unable to determine the cause of the issue, consult the wiring diagram for your Cub Cadet equipment View and Download Cub Cadet RZT 50 operator's manual online